办理会员咨询热线:4000-156-001

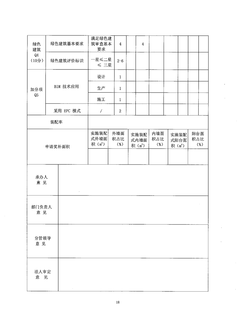
关于印发《岳阳市绿色装配式建筑管理办法》的通知

所在地区: 湖南-岳阳-岳阳县 发布日期: 2021年2月4日
建设快讯正文

按照客观、公正、公开的原则,本条信息受业主方委托独家指定在中国建设招标网 www.jszhaobiao.com 发布

注册会员 享受贴心服务

标讯查询服务

让您全面及时掌握全国各省市拟建、报批、立项、施工在建项目的项目信息。

帮您跟对合适的项目、找对准确的负责人、全面掌握各项目的业主单位、设计院、总包单位、施工企业的项目 经理、项目负责人的详细联系方式。

帮您第一时间获得全国项目业主、招标代理公司和政府采购中心发布的招标、中标项目信息。

标讯定制服务

根据您的关注重点定制项目,从海量项目中筛选出符合您要求和标准的工程并及时找出关键负责人和联系方式。

根据您的需要,向您指定的手机、电子邮箱及时反馈项目进展情况。

咨询热线:4000-156-001